PLC Ladder Simulator

PLC Ladder Simulator

Strumenti | Sergio Daniel Castañeda Niño

Gioca su PC con BlueStacks: la piattaforma di gioco Android, considerata affidabile da oltre 500 milioni di giocatori.

Pagina modificata il: Oct 29, 2025

Play PLC Ladder Simulator on PC

IMPORTANT: Before you use this app, please see the tutorial video on how to use it.
- https://youtu.be/I9X7u_z0JCA


In industry the PLC is the most important automation device because of its role as the brain in running industrial processes. This brain uses a syntax to be able perform tasks in an orderly, sequential manner.

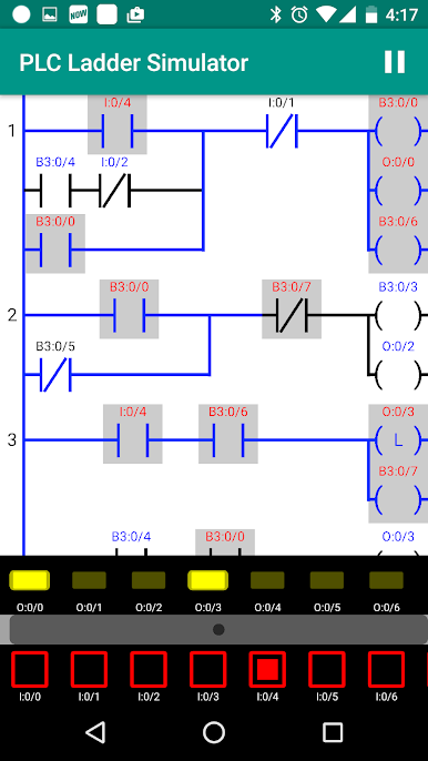
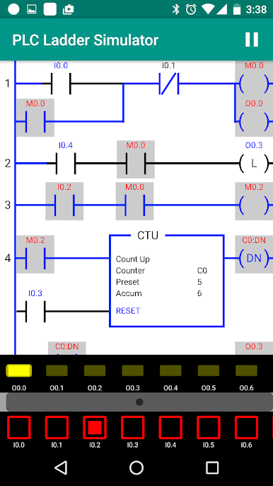
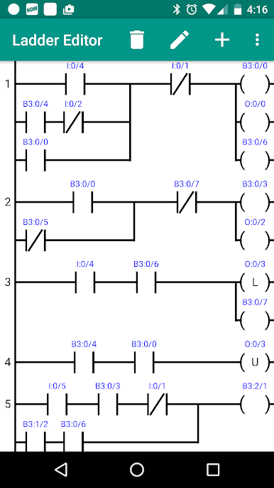
The native language of the PLC is called “ladder logic”. Ladder logic is graphical, in that it can be laid out in a form that resembles a ladder with rails and rungs. Ladder logic diagrams were developed originally from relay-circuit diagrams that were used for electronic circuitry prior to the advent of PLCs.

PLC Ladder Simulator is a simulator for the Android operating system with input and output objects that simulate the I/O ports of a real PLC. You can used PLC Ladder Simulator to create ladder-logic diagrams using components from the standard set used in these diagrams.

PLC Ladder Simulator features an unique option available in the world and it's the possibility of program an Arduino board with a ladder design using an Android phone. So actually what it does is that transforms an Arduino into a PLC (Programmable Logic Controller). The app writes a code into the Arduino by using an USB OTG cable or a Bluetooth module.

The Arduino mode it's compatible with the Arduino UNO (atmega328) and the M5Stack ESP32.

Note: This app doesn't work in tablets, only for Android phones, you can try it if you want to.
It doesn't work in some Samsung Galaxy Tab 4.

To ensure the possibility that the app works on your device, follow the example in the video tutorial.

Video Tutorial (english): https://youtu.be/I9X7u_z0JCA


PLC Ladder Simulator Website: http://plcladdersimulator.weebly.com/

If you have any question or problem, you can contact me at: casdata@gmail.com

Gioca PLC Ladder Simulator su PC. È facile iniziare.

  • Scarica e installa BlueStacks sul tuo PC

  • Completa l'accesso a Google per accedere al Play Store o eseguilo in un secondo momento

  • Cerca PLC Ladder Simulator nella barra di ricerca nell'angolo in alto a destra

  • Fai clic per installare PLC Ladder Simulator dai risultati della ricerca

  • Completa l'accesso a Google (se hai saltato il passaggio 2) per installare PLC Ladder Simulator

  • Fai clic sull'icona PLC Ladder Simulator nella schermata principale per iniziare a giocare

Watch Video