PLC Ladder Simulator Pro
工具 | Sergio Daniel Castañeda Niño
在電腦上使用BlueStacks –受到5億以上的遊戲玩家所信任的Android遊戲平台。
暢玩 PLC Ladder Simulator Pro 電腦版
在工業中,PLC是最重要的自動化設備,因為它在運行工業過程中扮演著大腦的角色。這個大腦使用語法能夠以有序,順序的方式執行任務。
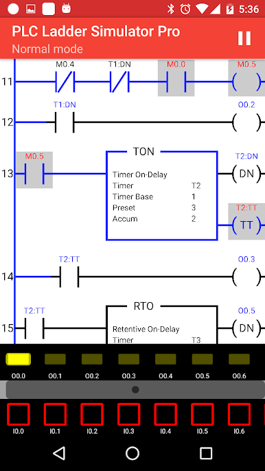
PLC的本地語言稱為“梯形邏輯”。梯形邏輯是圖形化的,因為它可以以類似帶有軌道和梯級的梯子的形式佈局。梯形邏輯圖最初是從繼電器電路圖開發的,在PLC出現之前用於電子電路。
PLC梯形圖模擬器是Android操作系統的模擬器,具有模擬真實PLC的I / O端口的輸入和輸出對象。您可以使用PLC梯形圖模擬器使用這些圖中使用的標準組件創建梯形邏輯圖。
PLC梯形圖模擬器PRO具有世界上獨一無二的選項,可以使用Android手機對帶有梯形圖設計的Arduino板進行編程。實際上它的作用是將Arduino轉換為PLC(可編程邏輯控制器)。該應用程序使用USB OTG電纜,藍牙模塊或以太網屏蔽將代碼寫入Arduino。
Arduino模式兼容Arduino UNO(atmega328),MEGA(atmega2560),NANO(atmega328),DUE,Pro Mini,M5Stack ESP32,MH-ET LIVE ESP32 DevKit和NodeMCU V3 LUA ESP8266。
與免費版相比,Pro版功能有:
- Arduino Mega板以Arduino模式提供。
- Arduino Nano板以Arduino模式提供。
- 導出PC PLC Loader工具的.PLC文件。
- ROL階梯功能。
- ROR梯形功能。
- SCL梯形圖功能。
- 對櫃檯沒有限制。
- 對計時器沒有限制。
- 10個保存插槽,以便通過插槽名稱自定義保留更多設計。
有關如何使用Arduino模式的教程,請訪問http://plcladdersimulator.weebly.com/pro-edition.html
重要事項1:購買應用程序後72小時內不會退款,如果原因是Arduino模式有問題,例如使用應用程序編程Arduino板時出現問題,這是因為用戶可以免費下載該應用程序的版本並測試它以查看Arduino板和用戶的Android設備是否與該應用程序兼容。
重要事項2:購買此版本之前,您可以嘗試免費版本以確保您的設備兼容。
- > PLC梯形圖模擬器:https://play.google.com/store/apps/details?id = com.casdata.plcladdersimulator
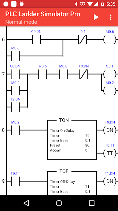
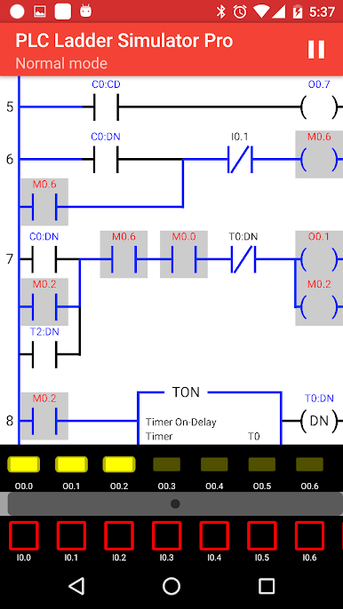
PLC的本地語言稱為“梯形邏輯”。梯形邏輯是圖形化的,因為它可以以類似帶有軌道和梯級的梯子的形式佈局。梯形邏輯圖最初是從繼電器電路圖開發的,在PLC出現之前用於電子電路。
PLC梯形圖模擬器是Android操作系統的模擬器,具有模擬真實PLC的I / O端口的輸入和輸出對象。您可以使用PLC梯形圖模擬器使用這些圖中使用的標準組件創建梯形邏輯圖。
PLC梯形圖模擬器PRO具有世界上獨一無二的選項,可以使用Android手機對帶有梯形圖設計的Arduino板進行編程。實際上它的作用是將Arduino轉換為PLC(可編程邏輯控制器)。該應用程序使用USB OTG電纜,藍牙模塊或以太網屏蔽將代碼寫入Arduino。
Arduino模式兼容Arduino UNO(atmega328),MEGA(atmega2560),NANO(atmega328),DUE,Pro Mini,M5Stack ESP32,MH-ET LIVE ESP32 DevKit和NodeMCU V3 LUA ESP8266。
與免費版相比,Pro版功能有:
- Arduino Mega板以Arduino模式提供。
- Arduino Nano板以Arduino模式提供。
- 導出PC PLC Loader工具的.PLC文件。
- ROL階梯功能。
- ROR梯形功能。
- SCL梯形圖功能。
- 對櫃檯沒有限制。
- 對計時器沒有限制。
- 10個保存插槽,以便通過插槽名稱自定義保留更多設計。
有關如何使用Arduino模式的教程,請訪問http://plcladdersimulator.weebly.com/pro-edition.html
重要事項1:購買應用程序後72小時內不會退款,如果原因是Arduino模式有問題,例如使用應用程序編程Arduino板時出現問題,這是因為用戶可以免費下載該應用程序的版本並測試它以查看Arduino板和用戶的Android設備是否與該應用程序兼容。
重要事項2:購買此版本之前,您可以嘗試免費版本以確保您的設備兼容。
- > PLC梯形圖模擬器:https://play.google.com/store/apps/details?id = com.casdata.plcladdersimulator
在電腦上遊玩PLC Ladder Simulator Pro . 輕易上手.
-
在您的電腦上下載並安裝BlueStacks
-
完成Google登入後即可訪問Play商店,或等你需要訪問Play商店十再登入
-
在右上角的搜索欄中尋找 PLC Ladder Simulator Pro
-
點擊以從搜索結果中安裝 PLC Ladder Simulator Pro
-
完成Google登入(如果您跳過了步驟2),以安裝 PLC Ladder Simulator Pro
-
在首頁畫面中點擊 PLC Ladder Simulator Pro 圖標來啟動遊戲